广州奥丽斯特燃气设备有限公司                                                                                                                             
                             奥丽斯特燃气设备 燃气设备商城 燃气设备选型 燃气设备资料 工程技术咨询
                            最新秒杀产品 专业企业网站制作、优化、推广 一元广告区 最新电子商务咨询
广州奥丽斯特燃气设备有限公司 广州奥丽斯特燃气设备有限公司 广州奥丽斯特燃气设备有限公司 广州奥丽斯特燃气设备有限公司 广州奥丽斯特燃气设备有限公司 广州奥丽斯特燃气设备有限公司 广州奥丽斯特燃气设备有限公司 广州奥丽斯特燃气设备有限公司 广州奥丽斯特燃气设备有限公司 广州奥丽斯特燃气设备有限公司
今天是
ton96tex报警器,特安报警器,奥丽斯特燃气设备网,www.360gas.com /诚信燃气设备网,gzhonest.cn
------------特安点型可燃气体探测器TON96Tex

TON96TEX报警器,奥丽斯特燃气设备网,www.360gas.com /诚信燃气设备网,gzhonest.cn

 

   TON96Tex技术参数
 
     
 

■检测原理:半导体式
■检测气体:可燃气体
■测量精度:±5%FS
■信号输出:总线信号
■防爆方式:隔爆型
■防爆标志:ExdIICT6
■防护等级:IP65
■工作电压:DC24V
■功 耗:<3W
■温度范围:-40℃-+70℃
■湿度范围:10-95%RH(无凝露)

 
     
 
  点型探测器TON96Tex特点
 

 

产品特点
测量精度高
采用进口气体敏感元件,具有精度高、可靠性强。
连接方式
采用四总线制连接。
数字信号总线输出
数字信号总线传输提高系统的抗干扰能力。
防爆方式
采用隔爆式设计用于危险条件的1、2区。
电源
DC24V
安装方便
专业设计的安装支架,仪器现场安装方便、快捷。
 
 
  推测器安装固定
 
 

TON96TEX点型探测器,奥丽斯特燃气设备网,www.360gas.com /诚信燃气设备网,gzhonest.cn

 
 
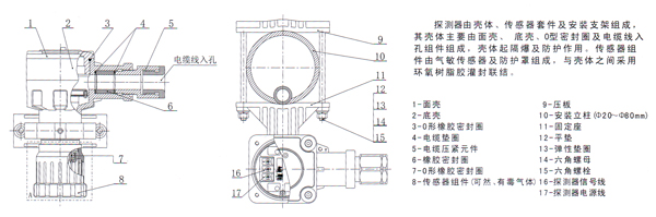
  总结构图
 
TON96TEX探测器,奥丽斯特燃气设备网,www.360gas.com /诚信燃气设备网,gzhonest.cn
 
   仪器输出接口及接线方法
 
TON96TEX点型报警器,奥丽斯特燃气设备网,www.360gas.com /诚信燃气设备网,gzhonest.cn
 
 
广州奥丽斯特燃气设备有限公司
 
百度                                 
产品展示|国际品牌|企业导航|燃气信息|最新展会|商务团队|人才招聘|资料下载|广告服务|联系我们|关键字|友情连接|